A good job requires good people, good tools, and good plans. Engineering focuses on creating the plans needed to ensure a job is done well.
Not all projects are equally complex, so detailed electrical diagrams are not always required when implementing solar or energy storage systems.
However, there is another important reason why electrical plans are valuable. With a well-prepared plan, you know exactly what is happening, ensuring that any changes do not negatively affect the rest of your network. In the end, the client gains a clear overview of their existing electrical infrastructure and is better prepared for future upgrades or expansions. This ultimately saves the client both money and unnecessary hassle.

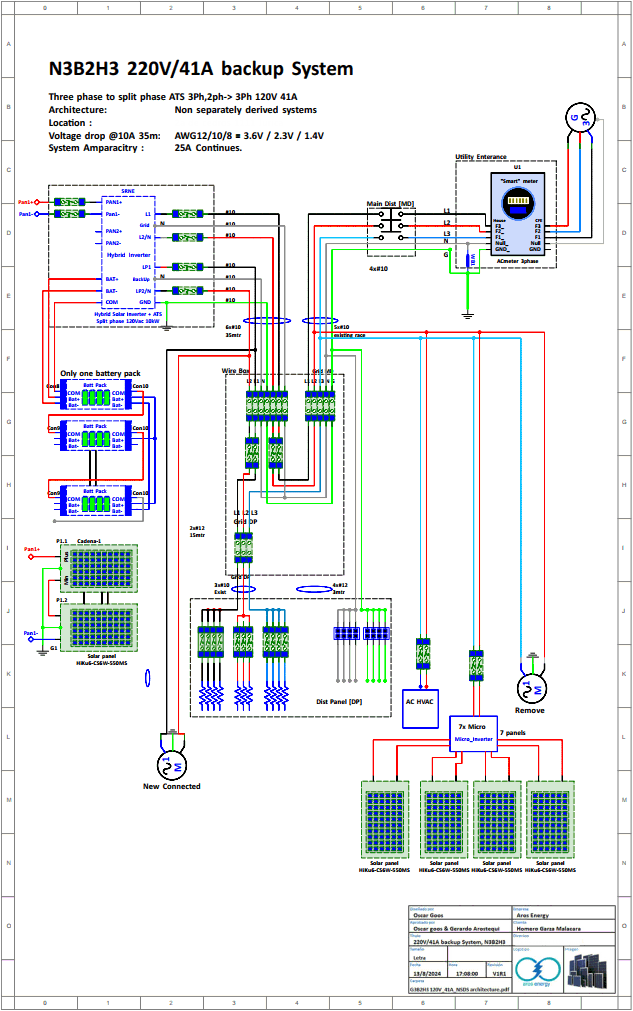
Diagram of a house
The diagram show how an ESS and solar are integrated in the electricity network of an existing house.
This diagram allows a skilled electrician to quickly see how the house is wired and do its work.

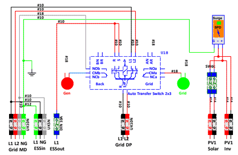
Diagram of a ATS
An Automatic Transfer Switch (ATS) is a device that isolates a house from the electrical grid during a blackout.
This diagram also shows the protection of solar panels against peak voltages using surge arresters

ATS Design
Example AutoCAD design of our ATS used in the 1 kW / 1 kWh Must ESS, developed in-house by Holaztec.